OEM ЗАПЧАСТИ

  info@automotohub.ru   8 (916) 294-84-77
  О Компании   Оплата и Доставка   Помощь   Обратная связь

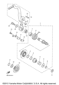
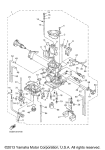
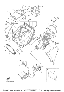
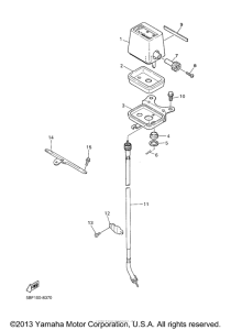
Запчасти для мотоциклов Yamaha WR400FM

Год: 2000  •  Объем двигателя: 400
Запчасти для мотоциклов Yamaha WR400FM
{modalWnd}