OEM ЗАПЧАСТИ

  info@automotohub.ru   8 (916) 294-84-77
  О Компании   Оплата и Доставка   Помощь   Обратная связь

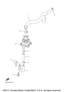
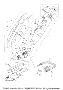
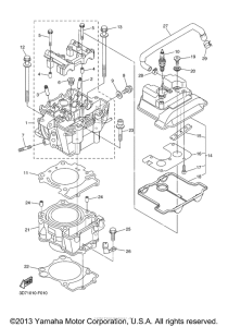
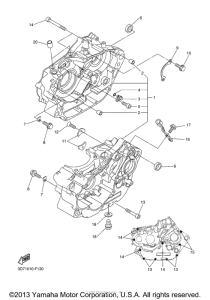
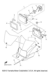
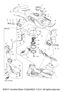
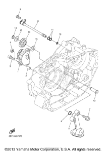
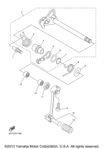
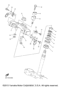
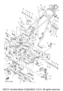
Запчасти для мотоциклов Yamaha WR250R WR250R

Год: 2012  •  Код модели: 32CU  •  Объем двигателя: 250
Запчасти для мотоциклов Yamaha WR250R WR250R
{modalWnd}