OEM ЗАПЧАСТИ

  info@automotohub.ru   8 (916) 294-84-77
  О Компании   Оплата и Доставка   Помощь   Обратная связь

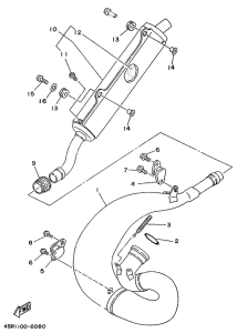
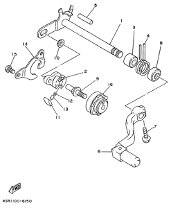
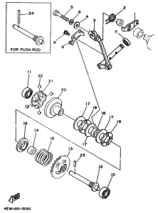
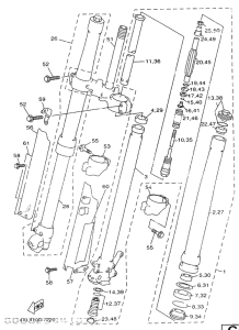
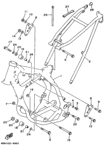
Запчасти для мотоциклов Yamaha WR250Z WR250Z

Год: 1997  •  Код модели: 4XK1  •  Объем двигателя: 250
Запчасти для мотоциклов Yamaha WR250Z WR250Z
{modalWnd}