OEM ЗАПЧАСТИ

  info@automotohub.ru   8 (916) 294-84-77
  О Компании   Оплата и Доставка   Помощь   Обратная связь

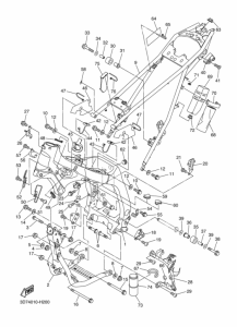
Запчасти для мотоциклов Yamaha WR250X WR250X

Год: 2009  •  Код модели: 3D74  •  Объем двигателя: 250
Запчасти для мотоциклов Yamaha WR250X WR250X
{modalWnd}