OEM ЗАПЧАСТИ

  info@automotohub.ru   8 (916) 294-84-77
  О Компании   Оплата и Доставка   Помощь   Обратная связь

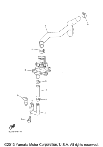
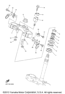
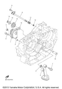
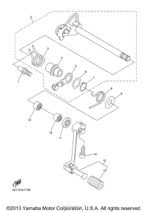
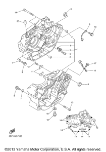
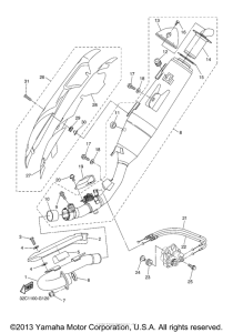
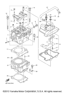
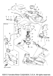
Запчасти для мотоциклов Yamaha WR25XAW WR250X

Год: 2011  •  Объем двигателя: 250
Запчасти для мотоциклов Yamaha WR25XAW WR250X
{modalWnd}