OEM ЗАПЧАСТИ

  info@automotohub.ru   8 (916) 294-84-77
  О Компании   Оплата и Доставка   Помощь   Обратная связь

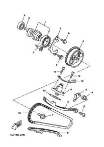
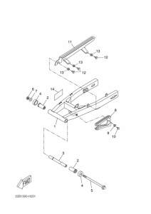
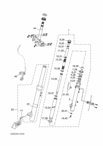
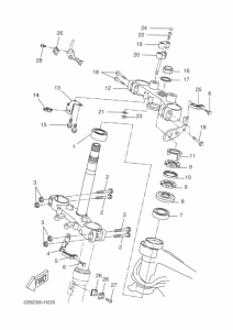
Запчасти для мотоциклов Yamaha WR125X WR125X

Год: 2009  •  Код модели: 22B2  •  Объем двигателя: 125
Запчасти для мотоциклов Yamaha WR125X WR125X
{modalWnd}