OEM ЗАПЧАСТИ

  info@automotohub.ru   8 (916) 294-84-77
  О Компании   Оплата и Доставка   Помощь   Обратная связь

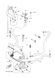
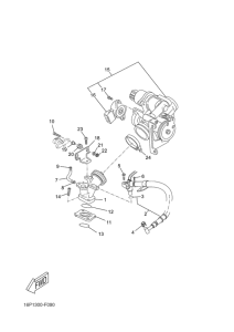
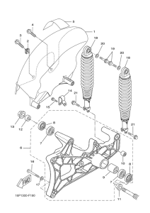
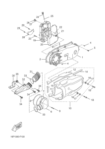
Запчасти для мотоциклов Yamaha VP125 X-City

Год: 2009  •  Код модели: 16P3  •  Объем двигателя: 125
Запчасти для мотоциклов Yamaha VP125 X-City
Выбирайте узел вашей техники:


{modalWnd}