OEM ЗАПЧАСТИ

  info@automotohub.ru   8 (916) 294-84-77
  О Компании   Оплата и Доставка   Помощь   Обратная связь

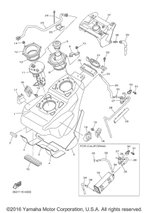
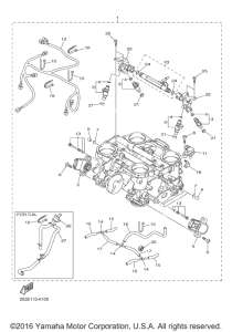
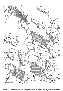
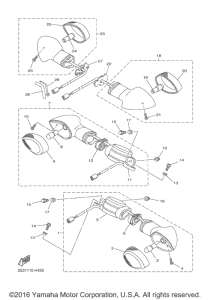
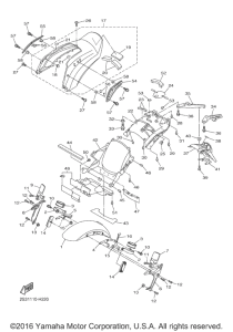
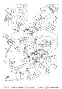
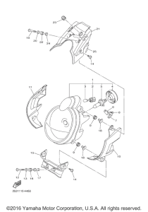
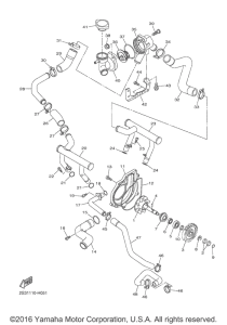
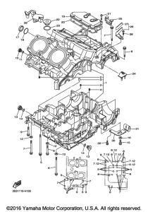
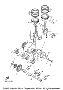
Запчасти для мотоциклов Yamaha VMX17 V-MAX

Год: 2017  •  Код модели: 2CER  •  Объем двигателя: 1700
Запчасти для мотоциклов Yamaha VMX17 V-MAX
{modalWnd}