OEM ЗАПЧАСТИ

  info@automotohub.ru   8 (916) 294-84-77
  О Компании   Оплата и Доставка   Помощь   Обратная связь

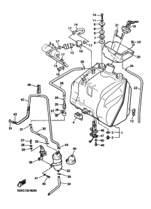
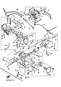
Запчасти для мотоциклов Yamaha VMX12 V-MAX

Год: 2003  •  Код модели: 5GKE  •  Объем двигателя: 1200
Запчасти для мотоциклов Yamaha VMX12 V-MAX
{modalWnd}