OEM ЗАПЧАСТИ

  info@automotohub.ru   8 (916) 294-84-77
  О Компании   Оплата и Доставка   Помощь   Обратная связь

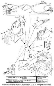
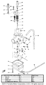
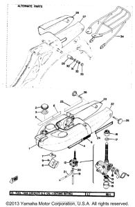
Запчасти для мотоциклов Yamaha U7E

Год: 1972  •  Объем двигателя: 700
Запчасти для мотоциклов Yamaha U7E
{modalWnd}