OEM ЗАПЧАСТИ

  info@automotohub.ru   8 (916) 294-84-77
  О Компании   Оплата и Доставка   Помощь   Обратная связь

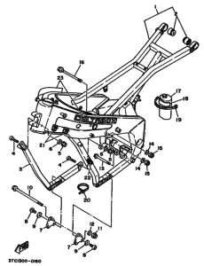
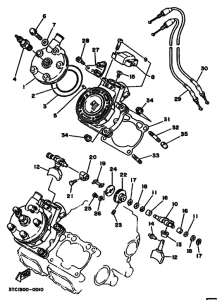
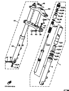
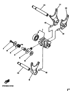
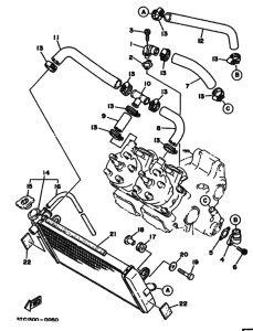
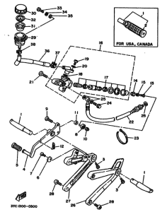
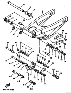
Запчасти для мотоциклов Yamaha TZ250

Год: 1990  •  Код модели: 3TC1  •  Объем двигателя: 250
Запчасти для мотоциклов Yamaha TZ250
{modalWnd}