OEM ЗАПЧАСТИ

  info@automotohub.ru   8 (916) 294-84-77
  О Компании   Оплата и Доставка   Помощь   Обратная связь

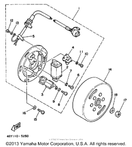
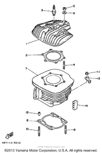
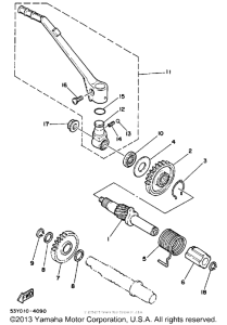
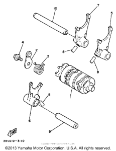
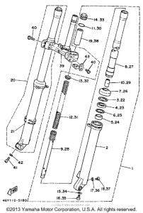
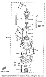
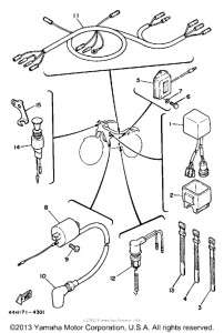
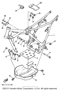
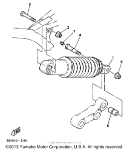
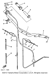
Запчасти для мотоциклов Yamaha TY350N TRIALS

Год: 1985  •  Объем двигателя: 350
Запчасти для мотоциклов Yamaha TY350N TRIALS
{modalWnd}