OEM ЗАПЧАСТИ

  info@automotohub.ru   8 (916) 294-84-77
  О Компании   Оплата и Доставка   Помощь   Обратная связь

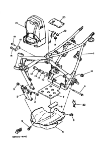
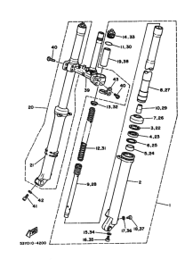
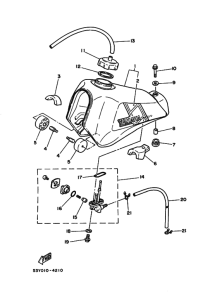
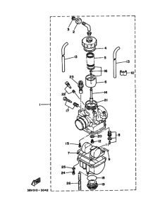
Запчасти для мотоциклов Yamaha TY250

Год: 1984  •  Код модели: 53Y0
Запчасти для мотоциклов Yamaha TY250
{modalWnd}