OEM ЗАПЧАСТИ

  info@automotohub.ru   8 (916) 294-84-77
  О Компании   Оплата и Доставка   Помощь   Обратная связь

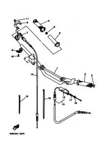
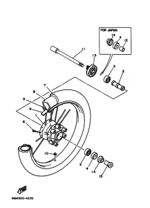
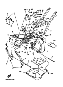
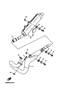
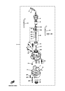
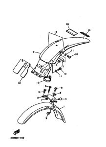
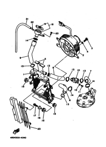
Запчасти для мотоциклов Yamaha TY250Z

Год: 1994  •  Код модели: 4GG3  •  Объем двигателя: 250
Запчасти для мотоциклов Yamaha TY250Z
{modalWnd}