OEM ЗАПЧАСТИ

  info@automotohub.ru   8 (916) 294-84-77
  О Компании   Оплата и Доставка   Помощь   Обратная связь

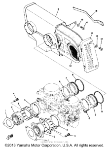
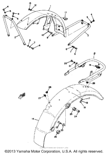
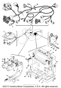
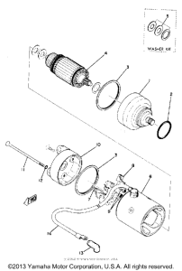
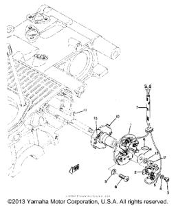
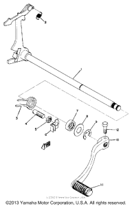
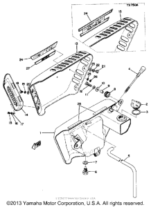
Запчасти для мотоциклов Yamaha TX750A

Год: 1974  •  Объем двигателя: 750
Запчасти для мотоциклов Yamaha TX750A
{modalWnd}