OEM ЗАПЧАСТИ

  info@automotohub.ru   8 (916) 294-84-77
  О Компании   Оплата и Доставка   Помощь   Обратная связь

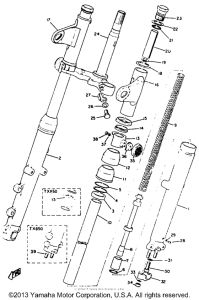
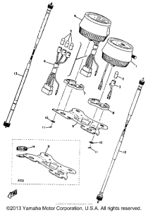
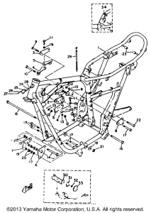
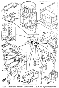
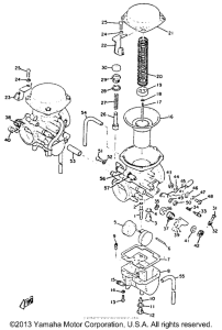
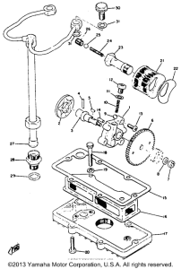
Запчасти для мотоциклов Yamaha TX650

Год: 1973  •  Объем двигателя: 650
Запчасти для мотоциклов Yamaha TX650
{modalWnd}