OEM ЗАПЧАСТИ

  info@automotohub.ru   8 (916) 294-84-77
  О Компании   Оплата и Доставка   Помощь   Обратная связь

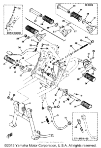
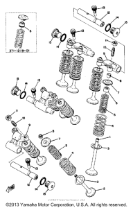
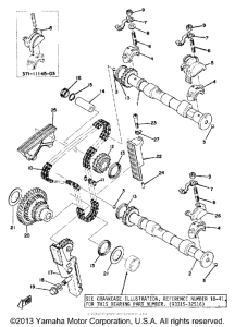
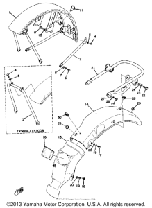
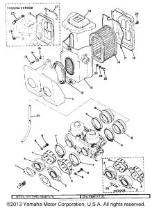
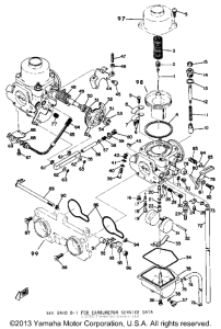
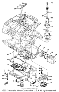
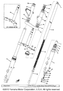
Запчасти для мотоциклов Yamaha TX500

Год: 1973  •  Объем двигателя: 500
Запчасти для мотоциклов Yamaha TX500
{modalWnd}