OEM ЗАПЧАСТИ

  info@automotohub.ru   8 (916) 294-84-77
  О Компании   Оплата и Доставка   Помощь   Обратная связь

Карбюратор

для Yamaha TW200E
Yamaha
Карбюратор
#кодцена
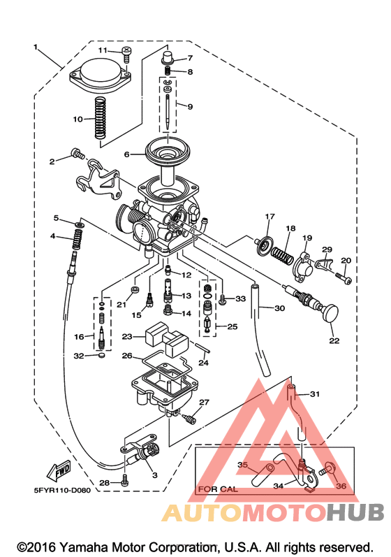
1
5FY-14301-00-00
Карбюратор
FOR CAL
узнать
цену
узнать цену
1
5FY-14301-10-00
Карбюратор
FOR U49
узнать
цену
узнать цену
2узнать
цену
узнать цену
2узнать
цену
узнать цену
3
5LB-14321-00-00
Винт дросселя
узнать
цену
узнать цену
4
2JX-14333-00-00
Пружина дросселя
узнать
цену
узнать цену
5
5LB-14357-00-00
Шайба
узнать
цену
узнать цену
6
5LB-1434A-00-00
Деталь Suction Piston Assy
узнать
цену
узнать цену
7
5LB-14936-00-00
Пружина
узнать
цену
узнать цену
8
5LB-14275-00-00
Пружина
узнать
цену
узнать цену
9узнать
цену
узнать цену
10
5LB-14286-00-00
Пружина
узнать
цену
узнать цену
11узнать
цену
узнать цену
12
5LB-14341-00-00
Главный жиклер
узнать
цену
узнать цену
13
5LB-14341-10-00
Деталь Bleed, Main Nozzle
узнать
цену
узнать цену
14
5FY-14343-63-00
Деталь Jet, Main (#126)
узнать
цену
узнать цену
15
5LB-14342-65-00
Деталь Jet, Pilot (#31)
узнать
цену
узнать цену
16
5LB-14105-00-00
Ремкомплект карбюратора
узнать
цену
узнать цену
17
5LB-14368-00-00
Диафрагма
узнать
цену
узнать цену
18
5LB-14589-00-00
Пружина
узнать
цену
узнать цену
19
5LB-14293-00-00
Крышка 1
узнать
цену
узнать цену
20
214-24535-00-00
Деталь Screw, Lever Fitting
узнать
цену
узнать цену
21
50M-14355-00-00
Заглушка
узнать
цену
узнать цену
22
5FY-14371-00-00
Замок зажигания
узнать
цену
узнать цену
23
5LB-14385-00-00
Поплавок
узнать
цену
узнать цену
24
5LB-14386-00-00
Штифт плавающий
узнать
цену
узнать цену
25
5LB-14390-00-00
Клапан
узнать
цену
узнать цену
26
5LB-14384-00-00
Прокладка камеры
узнать
цену
узнать цену
27узнать
цену
узнать цену
27
4JP-14323-00-00
Регулировочный винт
узнать
цену
узнать цену
28узнать
цену
узнать цену
29
5LB-14292-00-00
Кронштейн
узнать
цену
узнать цену
30
5LB-14197-00-00
Клапан
узнать
цену
узнать цену
30
5FY-14197-00-00
Трубка
узнать
цену
узнать цену
31
5FY-14196-00-00
Деталь Pipe, Over Flow 1
узнать
цену
узнать цену
32
4KN-1432A-00-00
Заглушка
узнать
цену
узнать цену
33узнать
цену
узнать цену
33узнать
цену
узнать цену
34
2JX-14193-00-00
Трубка
FOR CAL
узнать
цену
узнать цену
35
90445-072G8-00
Деталь Hose (L310)
FOR CAL
узнать
цену
узнать цену
35
2JX-14148-01-00
Шланг l-200
FOR CAL
узнать
цену
узнать цену
36
95817-08012-00
Болт
FOR CAL
узнать
цену
узнать цену
36
95807-08012-00
Болт
FOR CAL
узнать
цену
узнать цену
{modalWnd}