OEM ЗАПЧАСТИ

  info@automotohub.ru   8 (916) 294-84-77
  О Компании   Оплата и Доставка   Помощь   Обратная связь

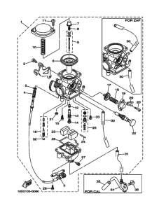
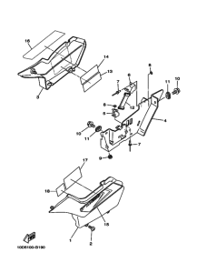
Запчасти для мотоциклов Yamaha TW200E

Год: 2008  •  Код модели: 10D7  •  Объем двигателя: 200
Запчасти для мотоциклов Yamaha TW200E
Выбирайте узел вашей техники:


{modalWnd}