OEM ЗАПЧАСТИ

  info@automotohub.ru   8 (916) 294-84-77
  О Компании   Оплата и Доставка   Помощь   Обратная связь

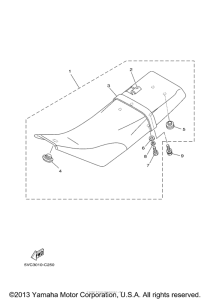
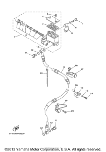
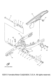
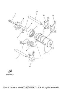
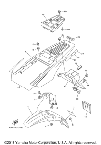
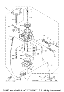
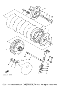
Запчасти для мотоциклов Yamaha TW200D1

Год: 2013  •  Объем двигателя: 200
Запчасти для мотоциклов Yamaha TW200D1
{modalWnd}