OEM ЗАПЧАСТИ

  info@automotohub.ru   8 (916) 294-84-77
  О Компании   Оплата и Доставка   Помощь   Обратная связь

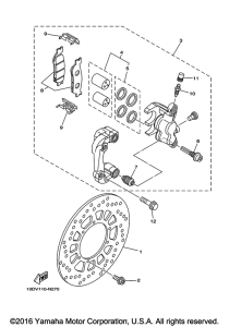
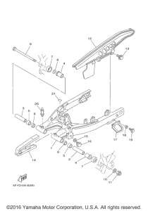
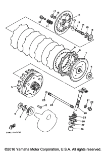
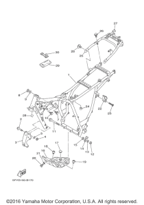
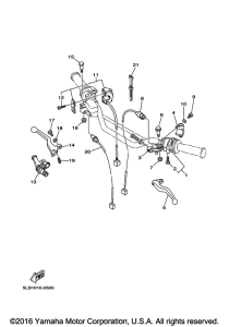
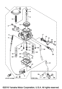
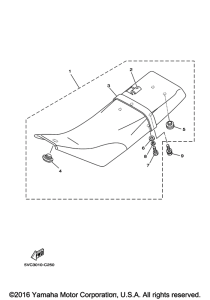
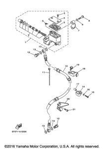
Запчасти для мотоциклов Yamaha TW200E

Год: 2017  •  Объем двигателя: 200
Запчасти для мотоциклов Yamaha TW200E
{modalWnd}