OEM ЗАПЧАСТИ

  info@automotohub.ru   8 (916) 294-84-77
  О Компании   Оплата и Доставка   Помощь   Обратная связь

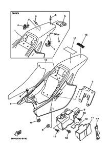
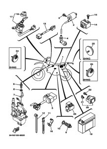
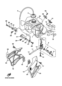
Запчасти для мотоциклов Yamaha TT-R90E TT-R90

Год: 2003  •  Код модели: 5HNG  •  Объем двигателя: 90
Запчасти для мотоциклов Yamaha TT-R90E TT-R90
{modalWnd}