OEM ЗАПЧАСТИ

  info@automotohub.ru   8 (916) 294-84-77
  О Компании   Оплата и Доставка   Помощь   Обратная связь

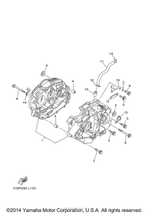
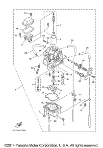
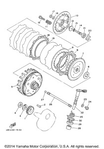
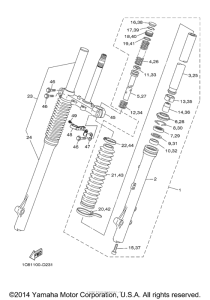
Запчасти для мотоциклов Yamaha TT-R230

Год: 2014  •  Объем двигателя: 230
Запчасти для мотоциклов Yamaha  TT-R230
{modalWnd}