OEM ЗАПЧАСТИ

  info@automotohub.ru   8 (916) 294-84-77
  О Компании   Оплата и Доставка   Помощь   Обратная связь

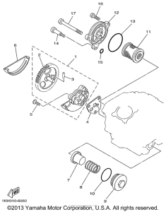
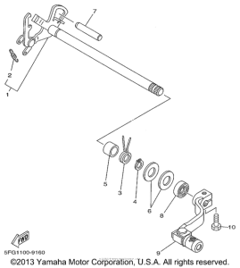
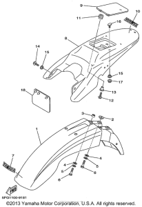
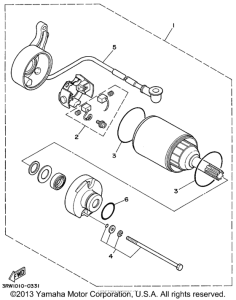
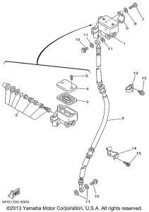
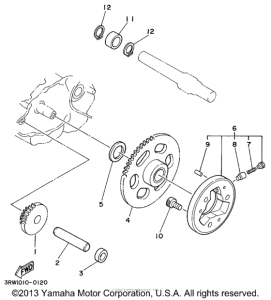
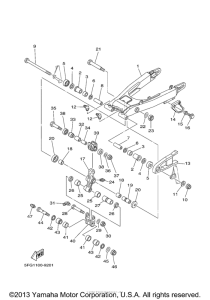
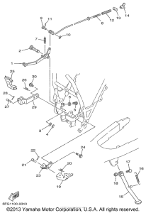
Запчасти для мотоциклов Yamaha TTR225L TT-R225

Год: 1999  •  Объем двигателя: 225
Запчасти для мотоциклов Yamaha TTR225L TT-R225
{modalWnd}