OEM ЗАПЧАСТИ

  info@automotohub.ru   8 (916) 294-84-77
  О Компании   Оплата и Доставка   Помощь   Обратная связь

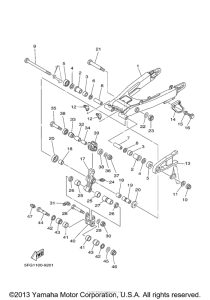
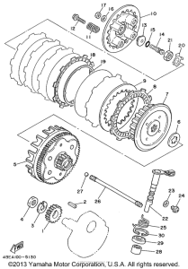
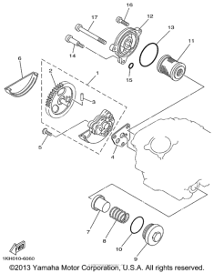
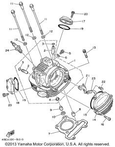
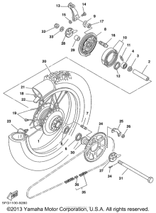
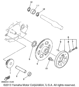
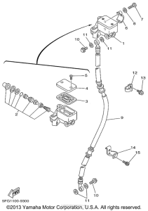
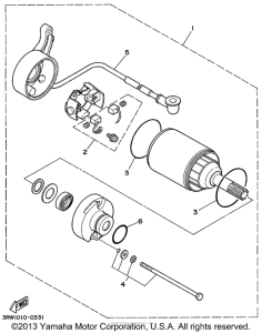
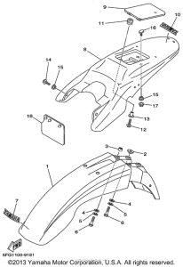
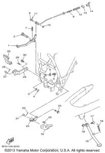
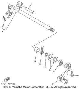
Запчасти для мотоциклов Yamaha TT225LC TT-R225 (OFF ROAD)

Год: 1999  •  Объем двигателя: 225
Запчасти для мотоциклов Yamaha TT225LC TT-R225 (OFF ROAD)
{modalWnd}