OEM ЗАПЧАСТИ

  info@automotohub.ru   8 (916) 294-84-77
  О Компании   Оплата и Доставка   Помощь   Обратная связь

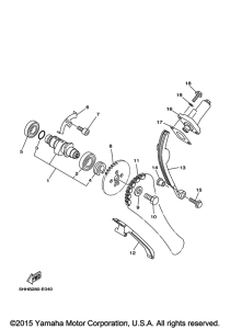
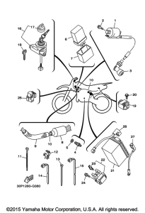
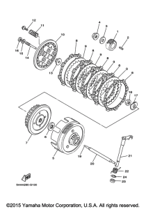
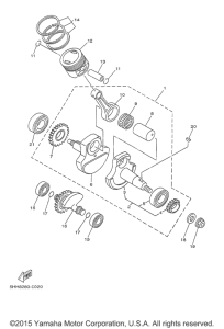
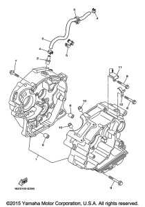
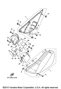
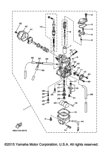
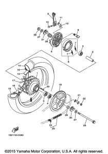
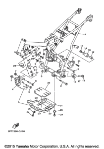
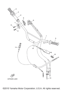
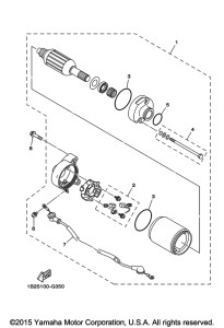
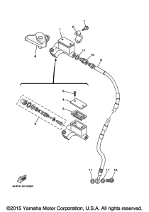
Запчасти для мотоциклов Yamaha TTR125LEG TT-R125

Год: 2016
Запчасти для мотоциклов Yamaha TTR125LEG TT-R125
{modalWnd}