OEM ЗАПЧАСТИ

  info@automotohub.ru   8 (916) 294-84-77
  О Компании   Оплата и Доставка   Помощь   Обратная связь

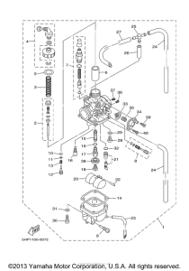
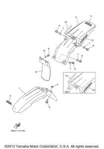
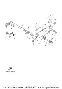
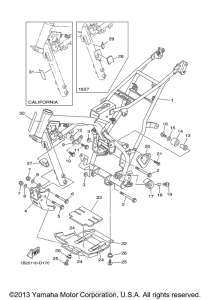
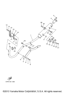
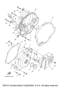
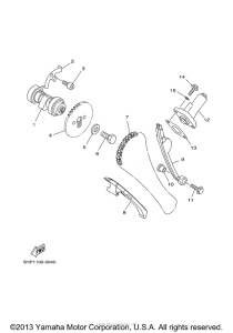
Запчасти для мотоциклов Yamaha TTR125LET TT-R125

Год: 2005  •  Объем двигателя: 125
Запчасти для мотоциклов Yamaha TTR125LET TT-R125
{modalWnd}