OEM ЗАПЧАСТИ

  info@automotohub.ru   8 (916) 294-84-77
  О Компании   Оплата и Доставка   Помощь   Обратная связь

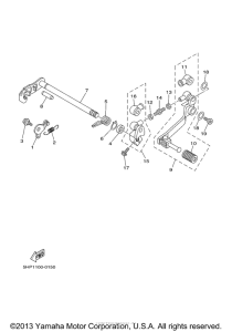
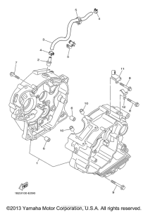
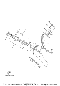
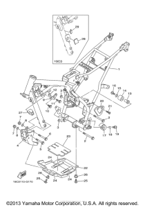
Запчасти для мотоциклов Yamaha TTR125LEX TT-R125

Год: 2008  •  Объем двигателя: 125
Запчасти для мотоциклов Yamaha TTR125LEX TT-R125
{modalWnd}