OEM ЗАПЧАСТИ

  info@automotohub.ru   8 (916) 294-84-77
  О Компании   Оплата и Доставка   Помощь   Обратная связь

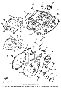
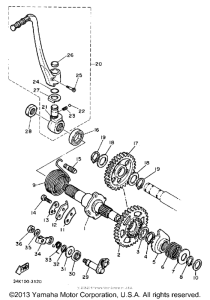
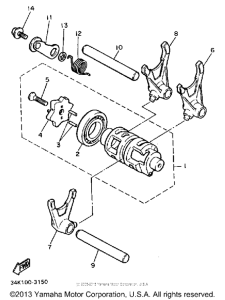
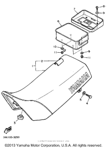
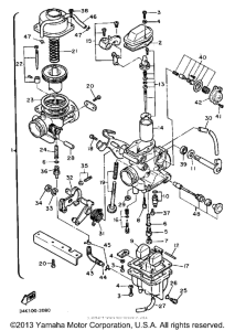
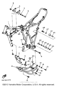
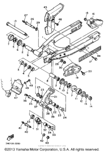
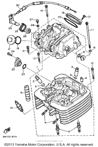
Запчасти для мотоциклов Yamaha TT600L

Год: 1984  •  Объем двигателя: 600
Запчасти для мотоциклов Yamaha TT600L
{modalWnd}