OEM ЗАПЧАСТИ

  info@automotohub.ru   8 (916) 294-84-77
  О Компании   Оплата и Доставка   Помощь   Обратная связь

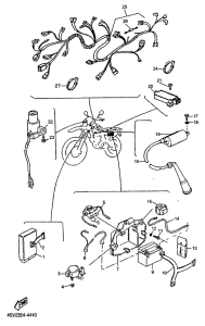
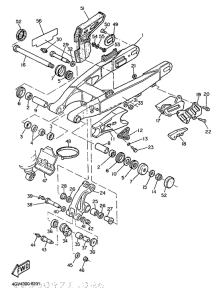
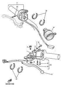
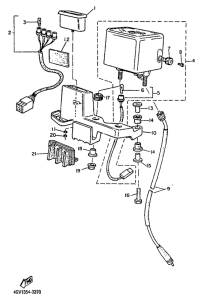
Запчасти для мотоциклов Yamaha TT600E

Год: 1997  •  Код модели: 4GV5  •  Объем двигателя: 600
Запчасти для мотоциклов Yamaha TT600E
{modalWnd}