OEM ЗАПЧАСТИ

  info@automotohub.ru   8 (916) 294-84-77
  О Компании   Оплата и Доставка   Помощь   Обратная связь

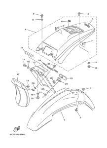
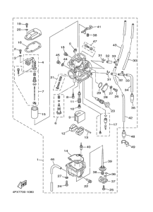
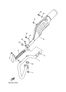
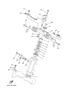
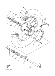
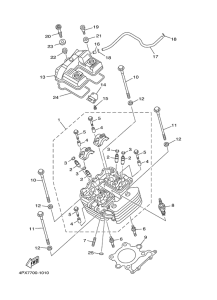
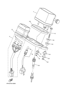
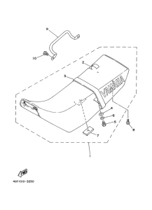
Запчасти для мотоциклов Yamaha TT250R TT-R

Год: 2002  •  Код модели: 4PX8  •  Объем двигателя: 250
Запчасти для мотоциклов Yamaha TT250R TT-R
{modalWnd}