OEM ЗАПЧАСТИ

  info@automotohub.ru   8 (916) 294-84-77
  О Компании   Оплата и Доставка   Помощь   Обратная связь

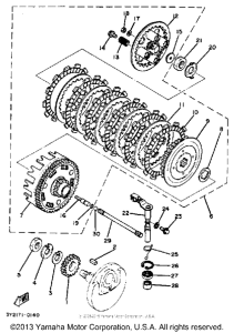
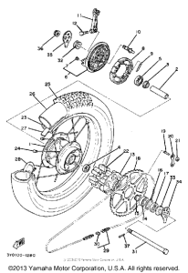
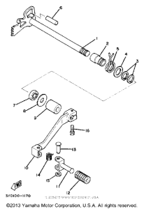
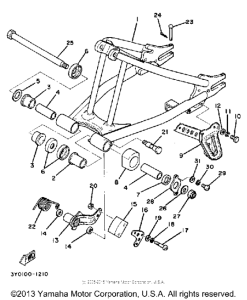
Запчасти для мотоциклов Yamaha TT250J

Год: 1982  •  Объем двигателя: 250
Запчасти для мотоциклов Yamaha TT250J
{modalWnd}