OEM ЗАПЧАСТИ

  info@automotohub.ru   8 (916) 294-84-77
  О Компании   Оплата и Доставка   Помощь   Обратная связь

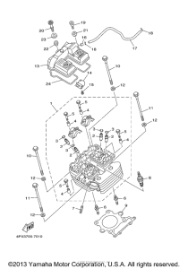
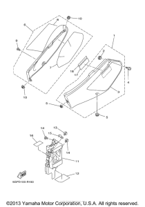
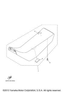
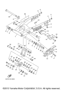
Запчасти для мотоциклов Yamaha TT-R250

Год: 2005  •  Код модели: 5GFK  •  Объем двигателя: 250
Запчасти для мотоциклов Yamaha  TT-R250
{modalWnd}