OEM ЗАПЧАСТИ

  info@automotohub.ru   8 (916) 294-84-77
  О Компании   Оплата и Доставка   Помощь   Обратная связь

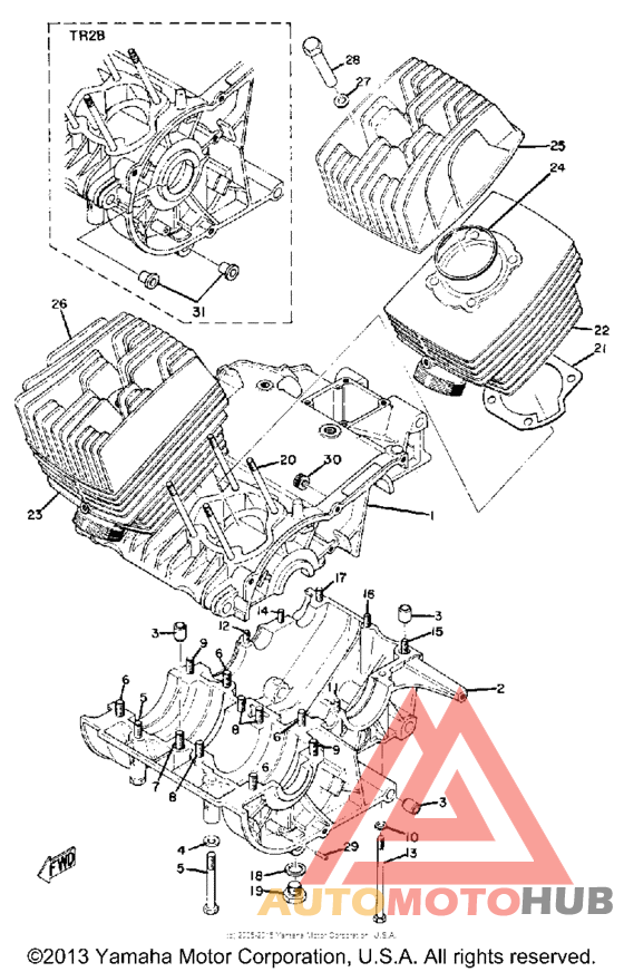
Картер двигателя

для Yamaha TR2B
Yamaha
Картер двигателя
Картер двигателя
#кодцена
1
UNA-VAILA-BL-EI
Деталь Carburetor Assembly
GROOVE
узнать
цену
узнать цену
1
239-15100-00-00
Деталь Crankcase Assembly
узнать
цену
узнать цену
2
UNA-VAILA-BL-EI
Деталь Carburetor Assembly
GROOVE
узнать
цену
узнать цену
3
99530-12016-00
Установочный штифт
узнать
цену
узнать цену
3
99510-12016-00
Установочный штифт
узнать
цену
узнать цену
4
92990-08200-00
Шайба
узнать
цену
узнать цену
5
999-99999-99-00
Деталь Not Available
узнать
цену
узнать цену
5
97021-08065-00
Деталь Bolt(2Nl)
узнать
цену
узнать цену
6узнать
цену
узнать цену
6
97313-08085-00
Деталь Bolt,hexagon
узнать
цену
узнать цену
7узнать
цену
узнать цену
7узнать
цену
узнать цену
8
97013-08075-00
Деталь Bolt (6K8)
узнать
цену
узнать цену
9узнать
цену
узнать цену
9узнать
цену
узнать цену
10
92990-06200-00
Шайба
узнать
цену
узнать цену
11узнать
цену
узнать цену
12узнать
цену
узнать цену
12
97380-06100-00
Деталь Bolt, Hexagon (91201-06100)
узнать
цену
узнать цену
13узнать
цену
узнать цену
13
97313-06095-00
Болт
6G8
узнать
цену
узнать цену
14
97017-06090-00
Деталь Bolt(3Gg)
узнать
цену
узнать цену
14
97311-06090-00
Деталь Bolt (4L3)
узнать
цену
узнать цену
15узнать
цену
узнать цену
16узнать
цену
узнать цену
16
97313-06070-00
Деталь Nut (97301-06070)
узнать
цену
узнать цену
17
97595-06555-00
Болт с шайбой
узнать
цену
узнать цену
17
97313-06055-00
Деталь Bolt,w Wash
узнать
цену
узнать цену
18
4F4-14766-00-00
Шайба
узнать
цену
узнать цену
18
137-15353-00-00
Деталь Gasket, Drain
узнать
цену
узнать цену
19
999-99999-99-00
Деталь Not Available
узнать
цену
узнать цену
19
90340-14033-00
Пробка
узнать
цену
узнать цену
19
90340-14119-00
Заглушка с резьбой
102-15351-
узнать
цену
узнать цену
20узнать
цену
узнать цену
21
168-11351-10-00
Прокладка цилиндра
узнать
цену
узнать цену
21
168-11351-00-00
Прокладка цилиндра
узнать
цену
узнать цену
22
239-11311-00-00
Цилиндр
узнать
цену
узнать цену
22
294-11311-00-00
Цилиндр
узнать
цену
узнать цену
23
239-11321-00-00
Цилиндр
узнать
цену
узнать цену
23
294-11321-00-00
Цилиндр
узнать
цену
узнать цену
24
904-30610-60-00
Прокладка
узнать
цену
узнать цену
24
904-30610-61-00
Прокладка
узнать
цену
узнать цену
25
239-11111-00-00
Голова цилиндр
узнать
цену
узнать цену
26
239-11121-00-00
Голова цилиндр
узнать
цену
узнать цену
27
90201-12362-00
Шайба
узнать
цену
узнать цену
28
999-99999-99-00
Деталь Not Available
узнать
цену
узнать цену
28
90179-08026-00
Гайка
узнать
цену
узнать цену
29
93603-14026-00
Штифт
узнать
цену
узнать цену
30
239-15365-00-00
Уплотнитель резиновый
узнать
цену
узнать цену
31
905-60081-00-00
Кольцо/шайба
узнать
цену
узнать цену
{modalWnd}