OEM ЗАПЧАСТИ

  info@automotohub.ru   8 (916) 294-84-77
  О Компании   Оплата и Доставка   Помощь   Обратная связь

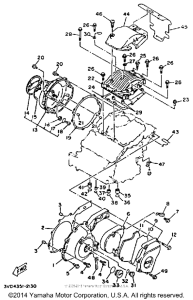
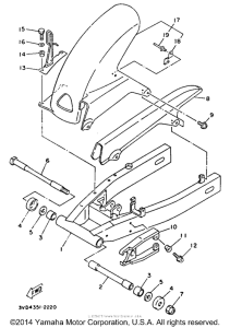
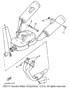
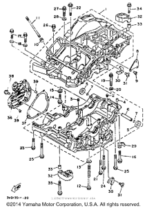
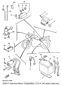
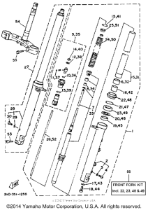
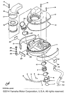
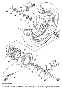
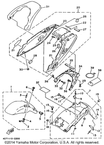
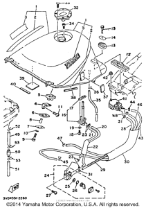
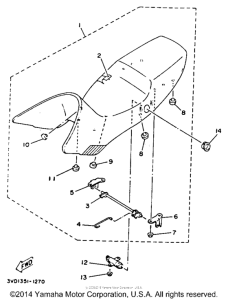
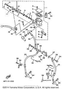
Запчасти для мотоциклов Yamaha TDM850D

Год: 1992  •  Объем двигателя: 850
Запчасти для мотоциклов Yamaha TDM850D
{modalWnd}