OEM ЗАПЧАСТИ

  info@automotohub.ru   8 (916) 294-84-77
  О Компании   Оплата и Доставка   Помощь   Обратная связь

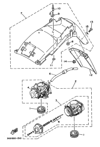
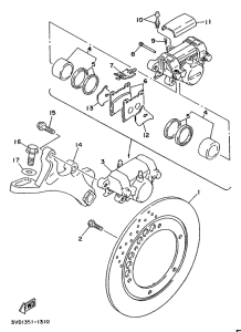
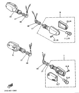
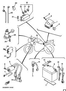
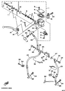
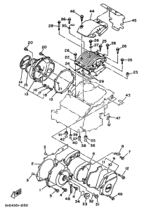
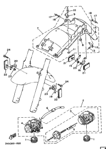
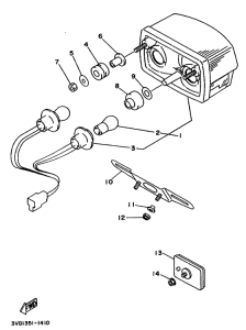
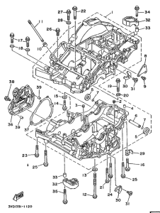
Запчасти для мотоциклов Yamaha TDM850

Год: 1993  •  Код модели: 3VD5  •  Объем двигателя: 850
Запчасти для мотоциклов Yamaha TDM850
{modalWnd}