OEM ЗАПЧАСТИ

  info@automotohub.ru   8 (916) 294-84-77
  О Компании   Оплата и Доставка   Помощь   Обратная связь

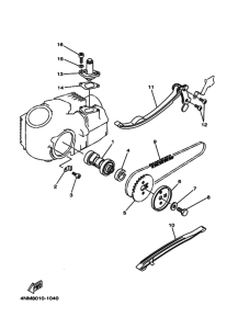
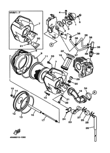
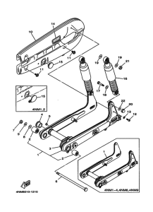
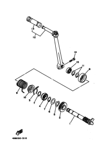
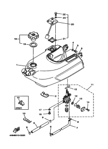
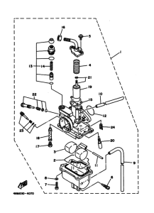
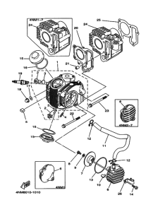
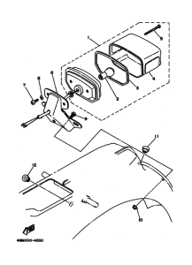
Запчасти для мотоциклов Yamaha T90D Town Mate

Год: 1998  •  Код модели: 4NM5  •  Объем двигателя: 90
Запчасти для мотоциклов Yamaha T90D Town Mate
{modalWnd}