OEM ЗАПЧАСТИ

  info@automotohub.ru   8 (916) 294-84-77
  О Компании   Оплата и Доставка   Помощь   Обратная связь

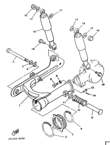
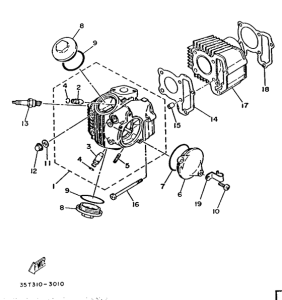
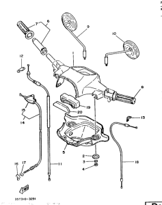
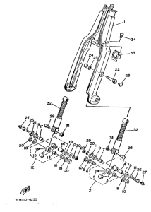
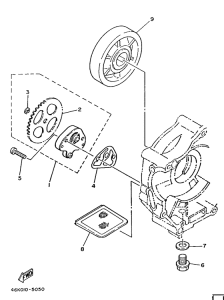
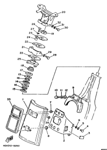
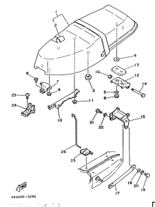
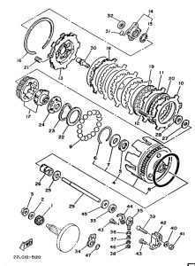
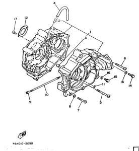
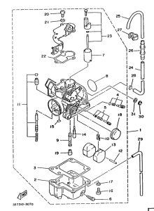
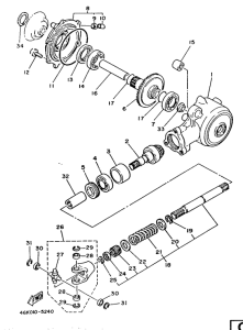
Запчасти для мотоциклов Yamaha T80 Town Mate

Год: 1986  •  Код модели: 2FL  •  Объем двигателя: 80
Запчасти для мотоциклов Yamaha T80 Town Mate
{modalWnd}