OEM ЗАПЧАСТИ

  info@automotohub.ru   8 (916) 294-84-77
  О Компании   Оплата и Доставка   Помощь   Обратная связь

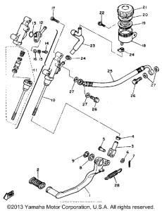
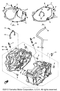
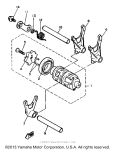
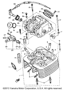
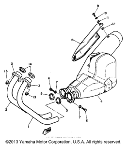
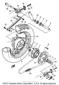
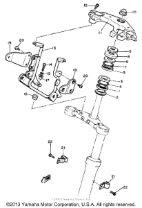
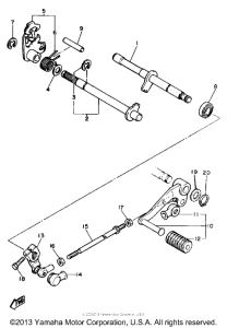
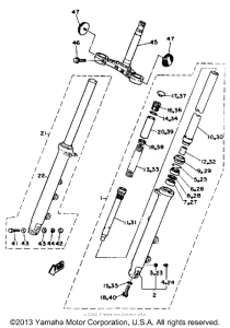
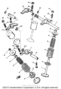
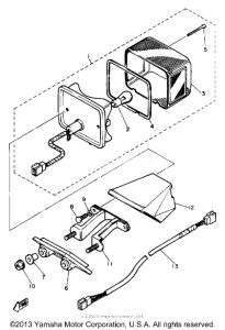
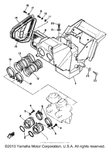
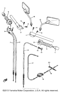
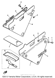
Запчасти для мотоциклов Yamaha SRX600SC

Год: 1986  •  Объем двигателя: 600
Запчасти для мотоциклов Yamaha SRX600SC
{modalWnd}