OEM ЗАПЧАСТИ

  info@automotohub.ru   8 (916) 294-84-77
  О Компании   Оплата и Доставка   Помощь   Обратная связь

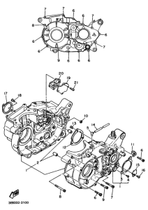
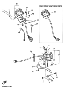
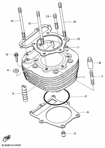
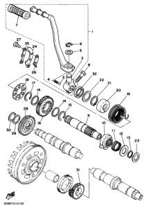
Запчасти для мотоциклов Yamaha SR500

Год: 1997  •  Код модели: 3GW7  •  Объем двигателя: 500
Запчасти для мотоциклов Yamaha SR500
{modalWnd}