OEM ЗАПЧАСТИ

  info@automotohub.ru   8 (916) 294-84-77
  О Компании   Оплата и Доставка   Помощь   Обратная связь

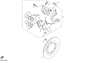
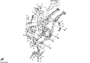
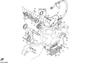
Запчасти для мотоциклов Yamaha SR400

Год: 2003  •  Код модели: 3HTG  •  Объем двигателя: 400
Запчасти для мотоциклов Yamaha SR400
{modalWnd}