OEM ЗАПЧАСТИ

  info@automotohub.ru   8 (916) 294-84-77
  О Компании   Оплата и Доставка   Помощь   Обратная связь

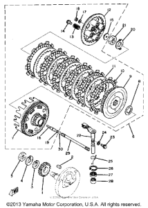
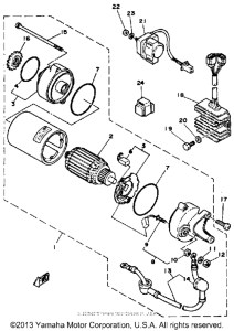
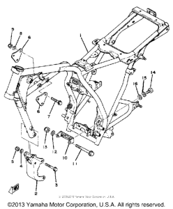
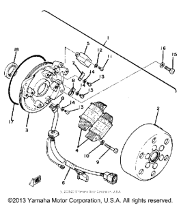
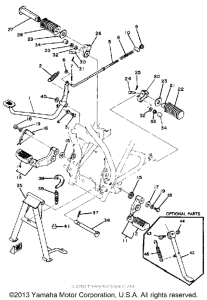
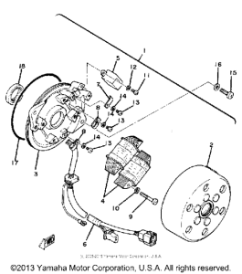
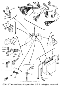
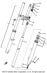
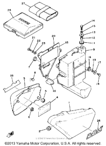
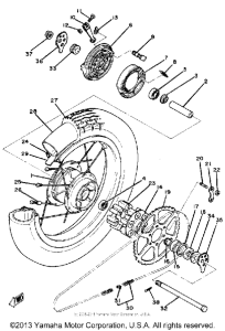
Запчасти для мотоциклов Yamaha SR250G SR250

Год: 1980  •  Объем двигателя: 250
Запчасти для мотоциклов Yamaha SR250G SR250
{modalWnd}