OEM ЗАПЧАСТИ

  info@automotohub.ru   8 (916) 294-84-77
  О Компании   Оплата и Доставка   Помощь   Обратная связь

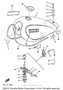
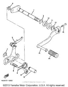
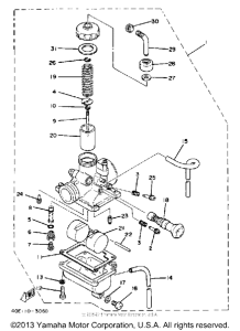
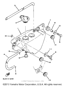
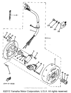
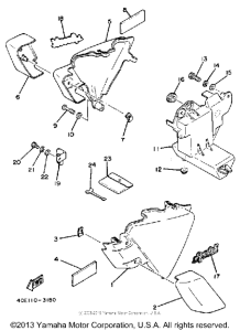
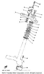
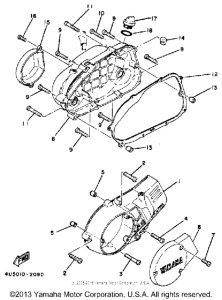
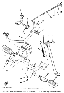
Запчасти для мотоциклов Yamaha RX50K

Год: 1983  •  Объем двигателя: 500
Запчасти для мотоциклов Yamaha RX50K
{modalWnd}