OEM ЗАПЧАСТИ

  info@automotohub.ru   8 (916) 294-84-77
  О Компании   Оплата и Доставка   Помощь   Обратная связь

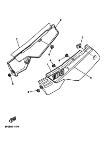
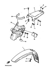
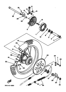
Запчасти для мотоциклов Yamaha RT180

Год: 1991  •  Код модели: 4BN1  •  Объем двигателя: 180
Запчасти для мотоциклов Yamaha RT180
{modalWnd}