OEM ЗАПЧАСТИ

  info@automotohub.ru   8 (916) 294-84-77
  О Компании   Оплата и Доставка   Помощь   Обратная связь

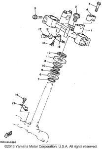
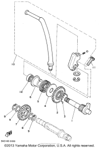
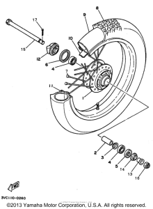
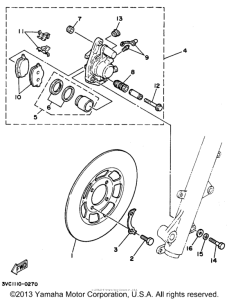
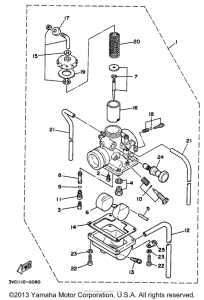
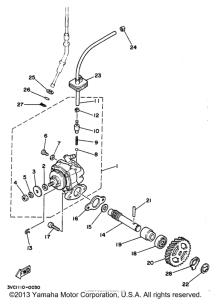
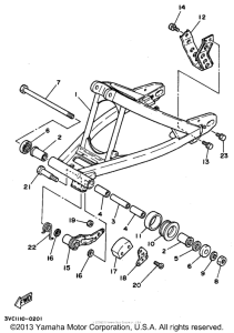
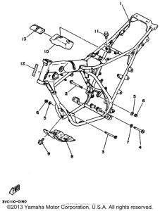
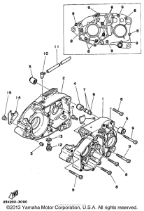
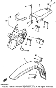
Запчасти для мотоциклов Yamaha RT180B

Год: 1991  •  Объем двигателя: 180
Запчасти для мотоциклов Yamaha RT180B
{modalWnd}