OEM ЗАПЧАСТИ

  info@automotohub.ru   8 (916) 294-84-77
  О Компании   Оплата и Доставка   Помощь   Обратная связь

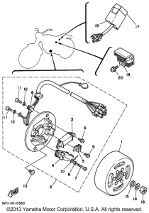
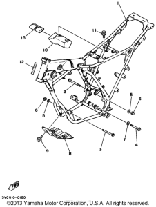
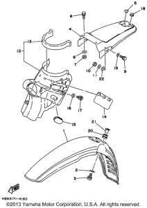
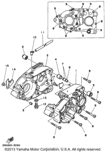
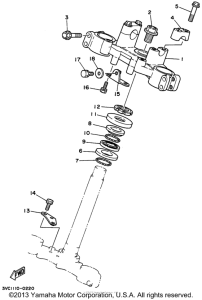
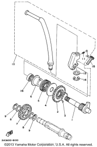
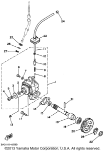
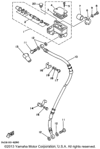
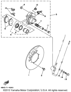
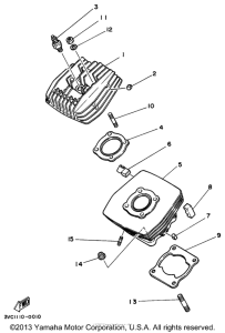
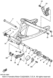
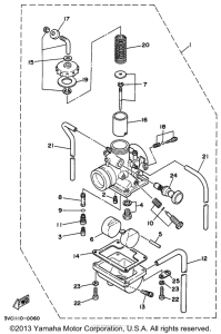
Запчасти для мотоциклов Yamaha RT180H

Год: 1996  •  Объем двигателя: 180
Запчасти для мотоциклов Yamaha RT180H
{modalWnd}