OEM ЗАПЧАСТИ

  info@automotohub.ru   8 (916) 294-84-77
  О Компании   Оплата и Доставка   Помощь   Обратная связь

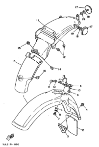
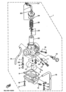
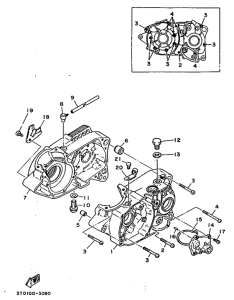
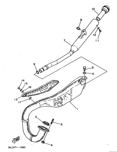
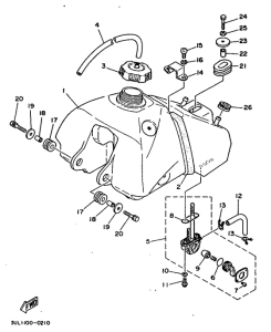
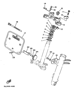
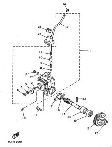
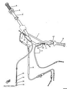
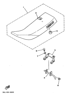
Запчасти для мотоциклов Yamaha RT100H

Год: 1996  •  Код модели: 3UL7  •  Объем двигателя: 100
Запчасти для мотоциклов Yamaha RT100H
{modalWnd}