OEM ЗАПЧАСТИ

  info@automotohub.ru   8 (916) 294-84-77
  О Компании   Оплата и Доставка   Помощь   Обратная связь

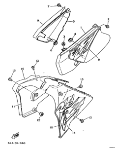
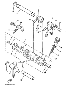
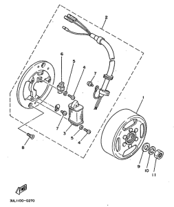
Запчасти для мотоциклов Yamaha RT100G

Год: 1995  •  Код модели: 3UL6  •  Объем двигателя: 100
Запчасти для мотоциклов Yamaha RT100G
{modalWnd}