OEM ЗАПЧАСТИ

  info@automotohub.ru   8 (916) 294-84-77
  О Компании   Оплата и Доставка   Помощь   Обратная связь

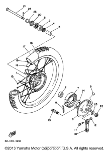
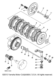
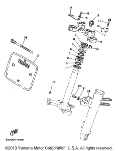
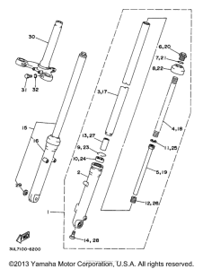
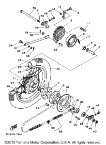
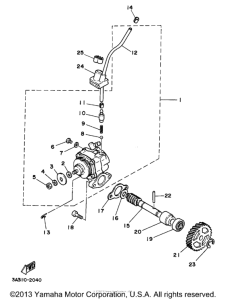
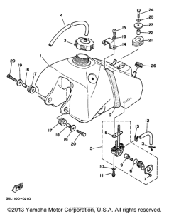
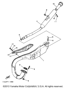
Запчасти для мотоциклов Yamaha RT100K

Год: 1998  •  Объем двигателя: 100
Запчасти для мотоциклов Yamaha RT100K
{modalWnd}