OEM ЗАПЧАСТИ

  info@automotohub.ru   8 (916) 294-84-77
  О Компании   Оплата и Доставка   Помощь   Обратная связь

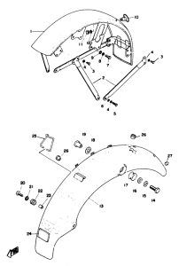
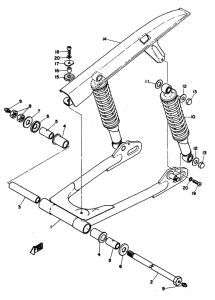
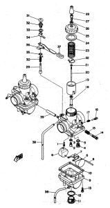
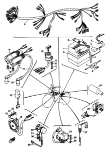
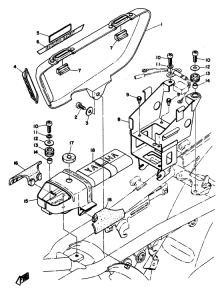
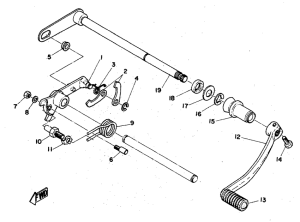
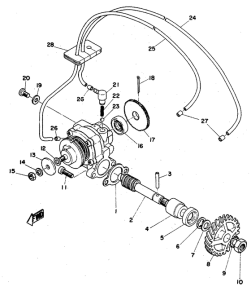
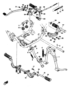
Запчасти для мотоциклов Yamaha RD250

Год: 1974  •  Код модели: RD0  •  Объем двигателя: 250
Запчасти для мотоциклов Yamaha RD250
{modalWnd}